m88(mansion)体育官方网站
首页
关于m88官网
公司介绍
愿景展望
m88mansion体育官方
关联企业
公司视频
m88官网产品
海藻酸及其盐类
海藻酸丙二醇酯
海洋健康食品
海藻肥
m88官网动态
公司新闻
信息公示
审核认证
公司荣誉
公司历史
m88官网责任
质量控制
安全生产
绿色环保
社会责任
人力资源
工作在m88官网
成长在m88官网
招聘信息
联系我们
Language
中文
English
한국어
日本語
信息公示
SHANDONG JIEJING
公司新闻
信息公示
审核认证
公司荣誉
公司历史
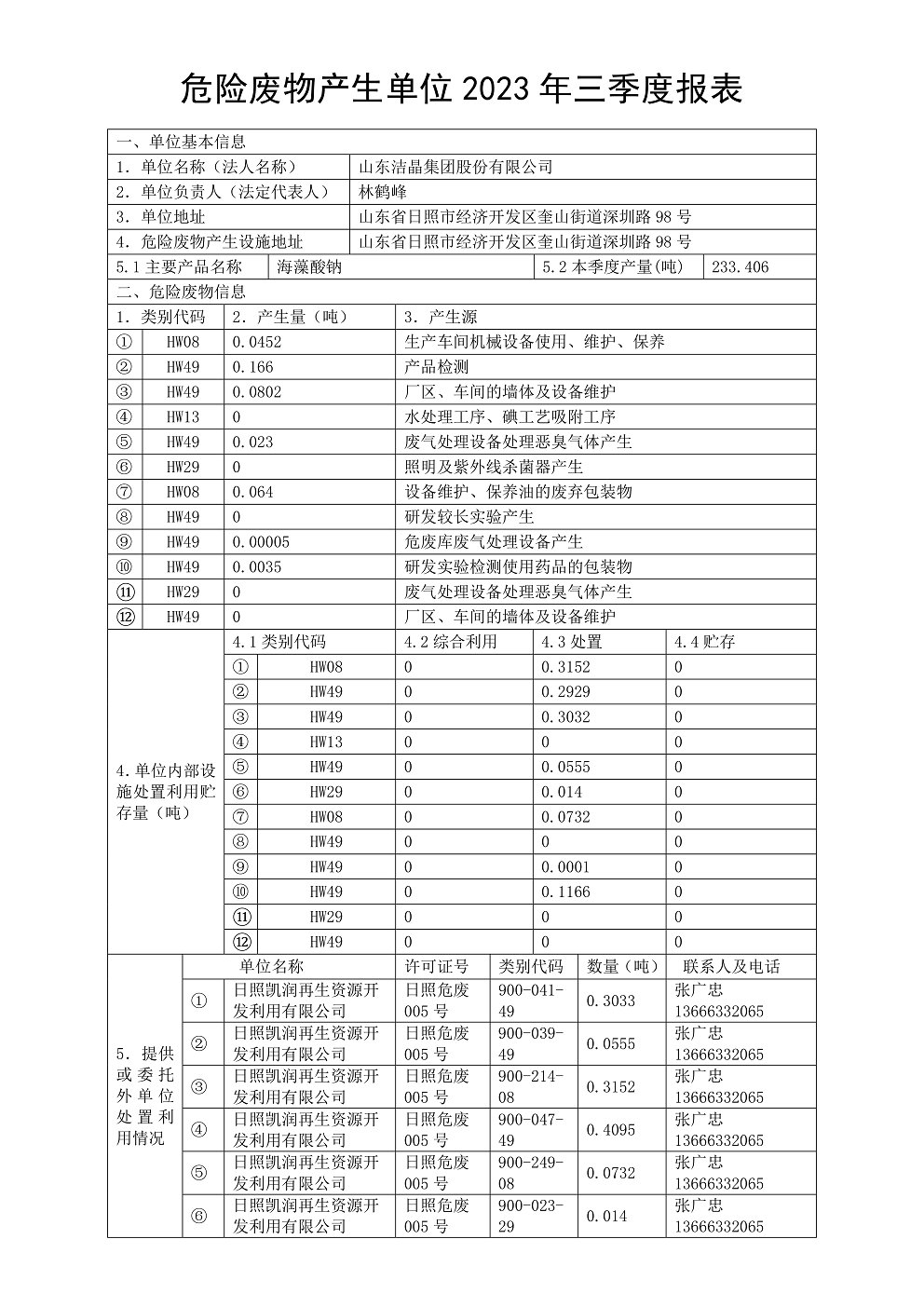
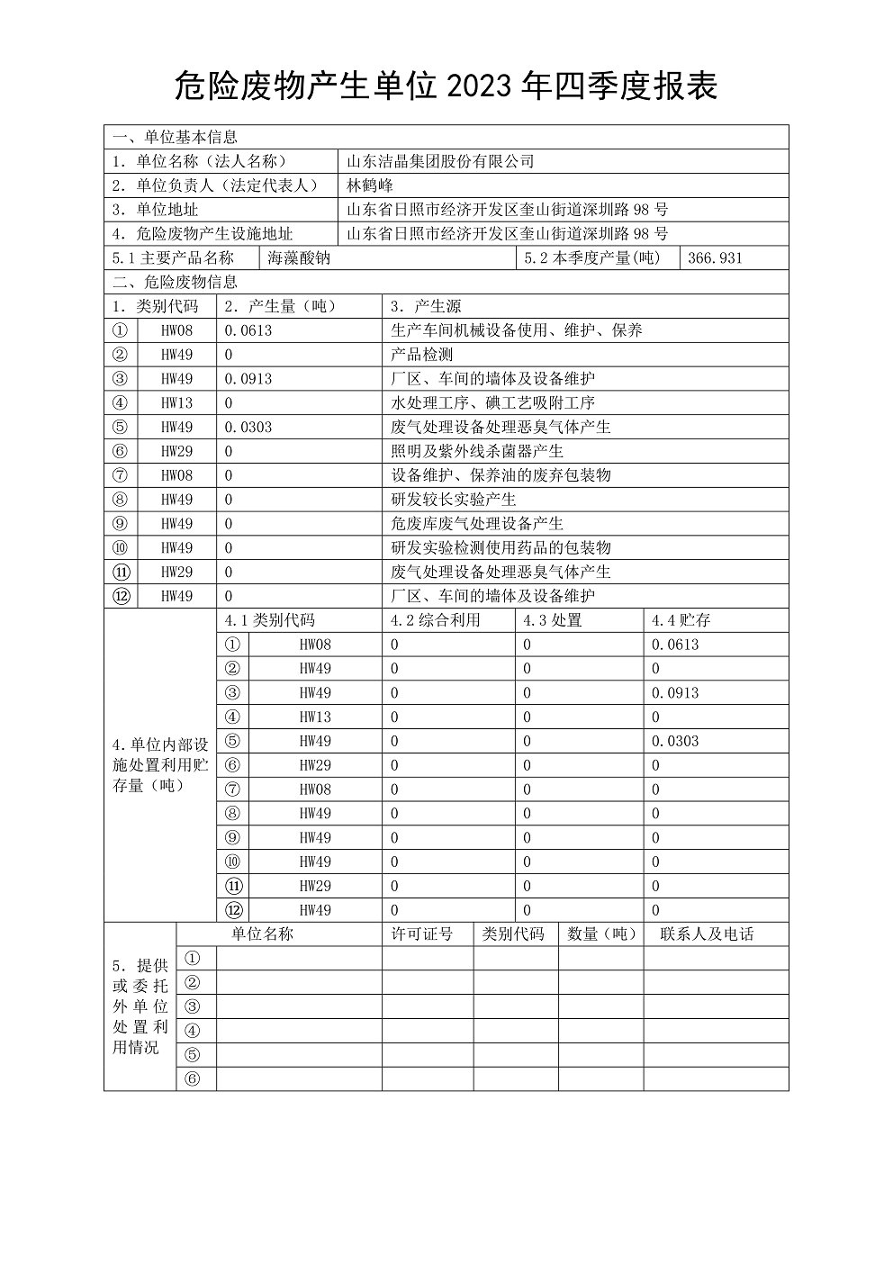
2023年危险废物产生及处置一览表
返回上一页